Z7A脹緊聯結套
產品分類: 脹緊套
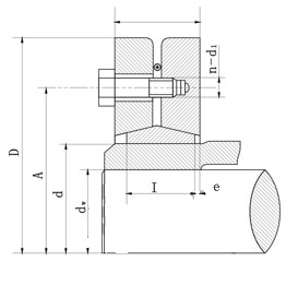
Z7A型脹套是一種軸與軸套之間的無鍵聯結裝置,此裝置可從外部對軸套施加夾緊力,使軸與軸套之間形成機械壓縮配合,而傳遞扭矩,脹套本身不傳遞任何力矩及負荷。
訂購熱線:15326245655
立即咨詢產品詳情
Z7A型脹套是一種軸與軸套之間的無鍵聯結裝置,此裝置可從外部對軸套施加夾緊力,使軸與軸套之間形成機械壓縮配合,而傳遞扭矩,脹套本身不傳遞任何力矩及負荷。當脹套固定到軸套(轂)的合適位置,按給定的力矩擰緊螺栓,錐形內圈向軸套施加徑向力,這種強制摩擦聯結可安全地傳遞大扭矩和負載。脹套夾緊時,各配合表面壓力很大并完全密封,避免了配合面的銹蝕。拆卸時,擰松螺栓,配合面自動放松,軸套及錐形圈自動回復到原始尺寸。此裝置拆裝簡單,適用于中低速傳遞扭矩。


推薦產品
-
YLD型凸緣聯軸器
凸緣聯軸器(亦稱法蘭聯軸器)是利用螺栓聯接兩凸緣(法蘭) -
GL型滾子鏈聯軸器
曲面齒鏈輪聯軸器,鏈條聯軸器,GL型滾子鏈聯軸器,GL型滾子鏈連軸 -
LM(ML)系列梅花形彈性聯軸器
梅花形彈性聯軸器具有以下特點:花形彈性聯軸器結構簡單,徑向 -
GⅡCL型—鼓形齒式聯軸器
鼓形齒式聯軸器具有徑向、軸向和角向等軸線偏差補償能力,具