Z16型脹緊聯結套
產品分類: 脹緊套
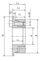
Z16型脹緊聯結套是一種軸與軸套之間的無鍵聯結裝置,此裝置可從外部對軸套施加夾緊力,使軸與軸套之間形成機械壓縮配合,而傳遞扭矩,脹套本身不傳遞任何力矩及負荷.
訂購熱線:15326245655
立即咨詢 Z16型脹緊聯結套是一種軸與軸套之間的無鍵聯結裝置,此裝置可從外部對軸套施加夾緊力,使軸與軸套之間形成機械壓縮配合,而傳遞扭矩,脹套本身不傳遞任何力矩及負荷.

A基本尺寸(mm)Dimensions |
額定負荷 |
內六角螺釘 |
脹套與軸結合面上的壓力pt |
脹套與輪載結合面上的壓力pt |
重量 |
|||||||||
d |
D |
L1 |
L2 |
L3 |
L4 |
L5 |
轉矩Mt |
軸向力Ft |
d1 |
n |
MA |
|||
20 |
47 |
20 |
17 |
23 |
29 |
3 |
0.28 |
28 |
M6 |
6 |
17 |
185 |
92 |
0.26 |
-
YLD型凸緣聯軸器
凸緣聯軸器(亦稱法蘭聯軸器)是利用螺栓聯接兩凸緣(法蘭) -
GL型滾子鏈聯軸器
曲面齒鏈輪聯軸器,鏈條聯軸器,GL型滾子鏈聯軸器,GL型滾子鏈連軸 -
LM(ML)系列梅花形彈性聯軸器
梅花形彈性聯軸器具有以下特點:花形彈性聯軸器結構簡單,徑向 -
GⅡCL型—鼓形齒式聯軸器
鼓形齒式聯軸器具有徑向、軸向和角向等軸線偏差補償能力,具